PBF系列平板式翻壳离心机

  • PBF系列平板式翻壳离心机
PBF系列平板式翻壳离心机

PBF系列平板式翻壳离心机

  • 商品编号:GY2018PBF02
  • 拍摄角度:130度
  • 产品产地:安徽蚌埠
  • 上架时间:2018-05-02
  • 产品名称: PBF系列平板式翻壳离心机
  • 在线订购

特点与用途

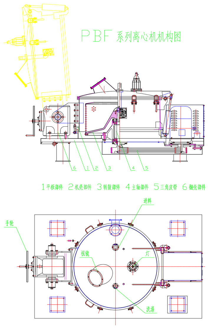
1.平板式结构,降低了设备重心,使设备运行更加平稳,同时平   板式便于维护及清洁。可设置在线清洗系统,可符合GMP及FDA标准。
2.变频启动,启动更平稳,转速可调。
3.全翻壳设计:可对离心机外壳与转鼓夹层空间进行彻底清洗,有效清除批次间的交叉污染。上盖设置,进料、水洗、视镜、防爆灯、充氮口。
4.布料方式选择:进料管进料(可设置分层进料),水洗管洗涤。
5.电机选用新型防爆节能电机,节能减排。
6.密闭式结构,有效密封设备腔体,改善周边环境,符合环保要求。密封件可采用硅胶、三元乙丙、氟橡胶、四氟等。
7.减震系统采用进口技术-液态阻尼减震器,有效吸收设备产生的震动,对基础和周边环境无影响。
8.安全保护:可设置开盖保护、过振动保护、氮气保护等。


标准制造形式

平台式结构,外壳与平台焊接为一体, 壳盖与壳体采用法兰配合快开式结构,壳盖的开启采用机械平衡器助力,壳盖上设置加料管、清洁管、视镜、观察灯、透气孔等。

产品结构示意图

选装配置

1.清洗喷淋系统

2.氮气保护系统

3.外部结构件(机座等)材料为不锈钢

4.按用户所分离物料的防腐要求采用相应的不锈钢材料(SUS304,316,316L,321,钛材等)

5.无基础形式(无基础地盘及减振垫)

6.传动与制动

(1)防爆电机(或普通电机)+变频器+能耗制动。

(2)电磁调速电机+摩擦式手动制动装置。

技术参数

项目 ltem
型号 Model
PBF-600 PBF-800 PBF-1000 PBF-1250
转鼓直径 (mm) Drum diameter 600 800 1000 1250
转鼓高度 (mm) Drum Height 350 400 420 500
转鼓容积 (L) Drun volume 45 90 140 320
最大装料限量 (L) Maximun loading limit 68 135 200 400
转鼓速度 (r/min) Drum rotational speed 1600 1200/1500 1080/1200 1000
分离因数 Separation factor 860 645/1007 652/806 698
电机功率 (w) Motor power 3 5.5/7.5 11 18.5
机器重量 (kg) Weight 1500 2200 3000 5000
外形尺寸 (mm) Extermal dimensions 1800x1200

x1030

2100x1300

x1250

2500x1500

x1375

2900x1900

x1505

开盖高度 (mm) Opening height 1650 1980 2550 2860

用手机扫描二维码关闭
二维码